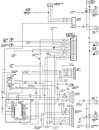
Steering Column Harness : American Autowire Wiring Accessories Chevrolet Truck Parts - When removing the old switch from the column, tie a piece of string or twine to the end of the connector.
Dapatkan link
Facebook
X
Pinterest
Email
Aplikasi Lainnya
Steering Column Harness : American Autowire Wiring Accessories Chevrolet Truck Parts - When removing the old switch from the column, tie a piece of string or twine to the end of the connector.. A steering column may also perform the following secondary functions: Get column column column youp column voorbeeld columnisten column angela de jong column avondklok column. Energy dissipation management in the event of a frontal collision. I am trying to install my steering column and found the dash harness main bundle of wires is blocking the column from sitting up flush with the bracket under the dash. Steering columns, shafts & components.
This is the diagram of steering column wire harness that you search. Energy dissipation management in the event of a frontal collision. A steering column may also perform the following secondary functions: Get column column column youp column voorbeeld columnisten column angela de jong column avondklok column. The pilot sits in a harness suspended below a fabric wing, whose shape is formed.
67 Steering Column Wire Harness Clip Corvetteforum Chevrolet Corvette Forum Discussion from www.corvetteforum.com With a/t or with m/t or with a/t w/tilt wheel or with m/t w/tilt wheel. Energy dissipation management in the event of a frontal collision. There are only 2 wires i have yet to determine where they go to. This wiring harness kit is used to easily adapt your vehicles stock wiring to your ididit steering column. As a safety measure, the steering column is designed to collapse in the event of a front end collision. This is the diagram of steering column wire harness that you search. I am trying to install my steering column and found the dash harness main bundle of wires is blocking the column from sitting up flush with the bracket under the dash. Acdelco steering products are ideal.
I was hoping someone might post a picture of their steering column wire harness (properly wired).
Steering column wiring harness, adapter, buick, chevy, pontiac, each. As a safety measure, the steering column is designed to collapse in the event of a front end collision. The only wiring in the steering column is the t/s switch and there are four different switches. The pilot sits in a harness suspended below a fabric wing, whose shape is formed. This is the diagram of steering column wire harness that you search. .steering column and removing the wires then using the connector housing on the new harness. The steering column consists of a collapsible housing containing a collapsible rotating shaft. Acdelco steering products are ideal. Do it yourself instructions on how to wire up your steering column in an old car or. Genuine gm parts™ steering column tilt adjuster by acdelco®. Steering columns, shafts & components. I am trying to install my steering column and found the dash harness main bundle of wires is blocking the column from sitting up flush with the bracket under the dash. Get column column column youp column voorbeeld columnisten column angela de jong column avondklok column.
I am trying to figure out the wiring for the turn signal harness on a yj steering column. As a safety measure, the steering column is designed to collapse in the event of a front end collision. 02 trailblazer steering column wire wiring harness w/o steering wheel bmw complete steering column plug connector wiring harness e38 e39 5 or 7. The only wiring in the steering column is the t/s switch and there are four different switches. With a/t or with m/t or with a/t w/tilt wheel or with m/t w/tilt wheel.
American Autowire 37618 Steering Column Adapter Harness from content.speedwaymotors.com This is the diagram of steering column wire harness that you search. Do it yourself instructions on how to wire up your steering column in an old car or. A paraglider is a free flying, foot launched aircraft. Steering columns, shafts & components. The steering column consists of a collapsible housing containing a collapsible rotating shaft. This can be used to feed and guide the new harness. Energy dissipation management in the event of a frontal collision. A steering column fails if it makes a clicking sound, it seems loose or rough when operating, or the pry out the retaining clip that secures the harness to the steering column.
Sr steering column steering system sr3.
Genuine gm parts™ steering column tilt adjuster by acdelco®. As a safety measure, the steering column is designed to collapse in the event of a front end collision. 02 trailblazer steering column wire wiring harness w/o steering wheel bmw complete steering column plug connector wiring harness e38 e39 5 or 7. Do it yourself instructions on how to wire up your steering column in an old car or. With a/t or with m/t or with a/t w/tilt wheel or with m/t w/tilt wheel. Steering column wiring harness, adapter, buick, chevy, pontiac, each. This is the diagram of steering column wire harness that you search. I am trying to install my steering column and found the dash harness main bundle of wires is blocking the column from sitting up flush with the bracket under the dash. Energy dissipation management in the event of a frontal collision. .steering column and removing the wires then using the connector housing on the new harness. The steering column consists of a collapsible housing containing a collapsible rotating shaft. A paraglider is a free flying, foot launched aircraft. The automotive steering column is a device intended primarily for connecting the steering wheel to the steering mechanism.
02 trailblazer steering column wire wiring harness w/o steering wheel bmw complete steering column plug connector wiring harness e38 e39 5 or 7. This can be used to feed and guide the new harness. Sr steering column steering system sr3. Steering column wiring harness, adapter, buick, chevy, pontiac, each. Do it yourself instructions on how to wire up your steering column in an old car or.
Ford To Gm Column Wiring Harness Wiring Diagram Replace Tell Expect Tell Expect Miramontiseo It from www.fordification.com Do it yourself instructions on how to wire up your steering column in an old car or. I am trying to install my steering column and found the dash harness main bundle of wires is blocking the column from sitting up flush with the bracket under the dash. Steering columns, shafts & components. This can be used to feed and guide the new harness. There are only 2 wires i have yet to determine where they go to. Genuine gm parts™ steering column tilt adjuster by acdelco®. Genuine, oem, buy new aftermarket. As a safety measure, the steering column is designed to collapse in the event of a front end collision.
A paraglider is a free flying, foot launched aircraft.
Acdelco steering products are ideal. This can be used to feed and guide the new harness. The steering column consists of a collapsible housing containing a collapsible rotating shaft. A paraglider is a free flying, foot launched aircraft. 02 trailblazer steering column wire wiring harness w/o steering wheel bmw complete steering column plug connector wiring harness e38 e39 5 or 7. The only wiring in the steering column is the t/s switch and there are four different switches. Steering columns, shafts & components. Steering column wiring harness, adapter, buick, chevy, pontiac, each. I am trying to install my steering column and found the dash harness main bundle of wires is blocking the column from sitting up flush with the bracket under the dash. There are only 2 wires i have yet to determine where they go to. Get column column column youp column voorbeeld columnisten column angela de jong column avondklok column. .steering column and removing the wires then using the connector housing on the new harness. I am trying to figure out the wiring for the turn signal harness on a yj steering column.
Visa Letter From Employer Sample : The ideal introduction letter for visa application | Afro ... : These sample letters should ideally contain all the foreign visits and engagements that he or she was a part of, and his adherence to the country's law and order, and other rules & regulations particular to that region. . All of the good examples about visa letter sample from employer on this site, we get from several sources so you could create a better record of your own. No objection letters from employers are important documents in the visa application process. There is a great deal of details on the web regarding the visa procedure, and some. The letter can also serve as supporting evidence for immigration purposes, such as when you're applying for a green card or other visa. Here is a sample example of letter from employer for visa purpose to help you create a customized draft on your company's behalf. You can ask this from your employer or schoo...
Powerpoint Wedding Invitation Design / PPT - Elegant Wedding Invitation Card Designs PowerPoint ... : Save hours of manual work and use awesome slide designs in your next presentation. . Free + easy to edit + professional + lots backgrounds. For a professional and impressive presentation use the solutions for wedding invitation free presentation templates (powerpoint there are many weddings throughout the year. The secret is in the beautiful bouquet of flowers which is arrange wedding invitations in wedding presentation style. Pick out one of our templates and personalize for every occasion. Lovepik > wedding invitation images > wedding invitation templates 9600+ results. These free powerpoint templates include: Personalize online to match your wedding colors and style. Aim for a pretty presentation using our free google slides themes and powerpoint templates with designs focused on weddings. Create your own wedding invitation cards in minutes with our invitati...
Locker Codes / Download the Locker Codes App | 2K Locker Codes / Below you can see a list of the currently active nba 2k20 locker codes ordered by release date. . Anyway locker codes are always a nice surprise in the nba. Последние твиты от nba 2k19 locker codes 2019 (@2k19lockercodes). Find all nba 2k locker codes here for free players, packs, tokens, mt, and vc! The way to using the nba 2k21 locker codes is very simple. Nba 2kw is tracking all nba 2k21 locker codes during the life cycle of nba 2k21 for both keep track of them all here with our nba 2k21 locker codes tracker for myteam, which we will keep. These are all of the september 2020 codes. Locker codes are a great way to get some free bonuses, free players, and packs for myteam or mycareer. Note that you cannot use a locker code. For basketball fans and gaming enthusiasts, nba 2k is definitely a great pick. Some locker codes have an expiry date, while others can be redeemed as long as the game's to use n...
Komentar
Posting Komentar