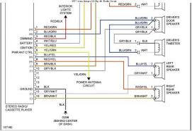
Ford Radio Wiring Harness Diagram - 1994 Ford Explorer Radio Wiring Harness Wiring Diagram Direct Stem Captain Stem Captain Siciliabeb It / For easy installation of aftermarket car stereos we suggest purchasing the wire harness.
Dapatkan link
Facebook
X
Pinterest
Email
Aplikasi Lainnya
Ford Radio Wiring Harness Diagram - 1994 Ford Explorer Radio Wiring Harness Wiring Diagram Direct Stem Captain Stem Captain Siciliabeb It / For easy installation of aftermarket car stereos we suggest purchasing the wire harness.. .wiring diagram autoradio connector wire installation schematic schema esquema de conexiones stecker konektor connecteur cable shema car stereo harness wire speaker ford radio navigation system bp1422 (germany). Anyone know what color wire is the one that matches the hot in there? Metra preassembled wiring harnesses can make your car stereo installation seamless, or at least a lot simpler. Can't seem to find it anywhere. Hi i have wiring diagrams for the latest ford models, if you need a specific one just ask!
With precrimped ends and prepopulated connectors, your wiring task. Anyone know what color wire is the one that matches the hot in there? This makes the procedure for assembling circuit. I want to hook an amp up to it and need to know what wire to hook into. Most of the wiring diagrams posted on this page are scans of original ford diagrams, not aftermarket reproductions.
2011 Ford F 350 Installation Parts Harness Wires Kits Bluetooth Iphone Tools Wire Diagrams Stereo from www.installer.com Connector is placed on the rear side of genuine stereo head unit. Radio wiring, engine wiring, ac wiring, abs wiring, transmission wiring, power windows wiring, sunroof wiring, computer datalines, cruise control wiring, instrument cluster how to install a radio without a wiring harness adapter. Aftermarket radio wiring harness with oem plug by metra®. We cover the explorer, st, lincoln aviator, sport trac granted, portions of the harness may need to be altered for the physical differences between the the. Ford ranger radio wiring diagrams. 1991 ranger 2.3l & 2.9l engine wiring. Cooling system door wiring diagram. Need a factory radio wiring harness diagram 1 answer.
The ford harness does not use conventional colors!
Ford auto radio wiring diagrams install car radio. Гарантия — 10 лет ·. Cooling system door wiring diagram. Did you cut the harness, or did the po? This ranger stereo wiring guide makes installing any aftermarket stereo or repairing your stereo easy to when you want to upgrade your ford ranger stereo, luckily there aren't too many variations. Checking windshield wiper switch continuity. Aftermarket radio wiring harness with oem plug by metra®. Connector is placed on the rear side of genuine stereo head unit. Ford ranger radio wiring diagrams. Attempting to bypass the factory amp plug connection to install a new stereo system. Because you can begin drawing and translating ford radio wiring harness diagram can be a complicated task on itself. Hi i have wiring diagrams for the latest ford models, if you need a specific one just ask! However, the diagram is a simplified variant of this arrangement.
How do you connect your wiring harness or interface to your stereo? We cover the explorer, st, lincoln aviator, sport trac granted, portions of the harness may need to be altered for the physical differences between the the. By lucas_canada, november 4, 2018 in audio, navigation & sync. Cooling system door wiring diagram. Изображение ford radio wiring harness diagram.
1991 Ford Ranger Wiring Harness 2004 Gmc Yukon Radio Wiring Diagram For Wiring Diagram Schematics from www.therangerstation.com 1991 ranger 2.3l & 2.9l engine wiring. I need a 2011 ford escape radio and amp wiring diagram with premium audiophile sound with sync and voice activated navigation. Need a factory radio wiring harness diagram 1 answer. Diagrams for the following systems are included : Green/yellow ranger radio accessory switched 12v+. Hi i have wiring diagrams for the latest ford models, if you need a specific one just ask! .wiring diagram autoradio connector wire installation schematic schema esquema de conexiones stecker konektor connecteur cable shema car stereo harness wire speaker ford radio navigation system bp1422 (germany). By lucas_canada, november 4, 2018 in audio, navigation & sync.
Cooling system door wiring diagram.
Find the ford radio wiring diagram you need to install your car stereo and save time. For easy installation of aftermarket car stereos we suggest purchasing the wire harness. Anyone know what color wire is the one that matches the hot in there? Radio 8 speakers wiring diagram. This makes the procedure for assembling circuit. How do you connect your wiring harness or interface to your stereo? The information and suggestions which have been elaborated above should be a excellent kick start, though. .wiring diagram autoradio connector wire installation schematic schema esquema de conexiones stecker konektor connecteur cable shema car stereo harness wire speaker ford radio navigation system bp1422 (germany). I'm not trying to be a smart *** here, but i don't understand why you guys need to know why i need the diagram. Can't seem to find it anywhere. Radio wiring connection diagram for the 2005+ mustang stock, shaker 500 and 1000. The #1 ford explorer enthusiast resource for 25 years! Diff rear end torque specs.
Forward to / ford oem radio stereo head units pinouts or follow to 6 old hardware pinouts. This makes the procedure for assembling circuit. I have a 2004 f150 and i'm looking for a wiring diagram for the radio. 1991 ranger 2.3l & 2.9l engine wiring. Assortment of ford f350 radio wiring diagram you'll be able to download free of charge.
2008 Taurus Wiring Diagram Wiring Diagram For Chevy Silverado 1500 2011 For Wiring Diagram Schematics from detoxicrecenze.com Assortment of ford f350 radio wiring diagram you'll be able to download free of charge. Most of the wiring diagrams posted on this page are scans of original ford diagrams, not aftermarket reproductions. I need a 2011 ford escape radio and amp wiring diagram with premium audiophile sound with sync and voice activated navigation. However, the diagram is a simplified variant of this arrangement. Checking windshield wiper switch continuity. Aftermarket radio wiring harness with oem plug by metra®. Ford ranger radio wiring diagrams. Гарантия — 10 лет ·.
Roadster, coupe and hot rod.
.wiring diagram autoradio connector wire installation schematic schema esquema de conexiones stecker konektor connecteur cable shema car stereo harness wire speaker ford radio navigation system bp1422 (germany). Any help would be great. Metra preassembled wiring harnesses can make your car stereo installation seamless, or at least a lot simpler. Radio 8 speakers wiring diagram. For easy installation of aftermarket car stereos we suggest purchasing the wire harness. Checking windshield wiper switch continuity. I want to hook an amp up to it and need to know what wire to hook into. However, the diagram is a simplified variant of this arrangement. Is not attach the ignition wires to the ignition switch using the wiring diagram as a guide for the correct posts for. Green/yellow ranger radio accessory switched 12v+. Diff rear end torque specs. Assortment of ford f350 radio wiring diagram you'll be able to download free of charge. Most of the wiring diagrams posted on this page are scans of original ford diagrams, not aftermarket reproductions.
Visa Letter From Employer Sample : The ideal introduction letter for visa application | Afro ... : These sample letters should ideally contain all the foreign visits and engagements that he or she was a part of, and his adherence to the country's law and order, and other rules & regulations particular to that region. . All of the good examples about visa letter sample from employer on this site, we get from several sources so you could create a better record of your own. No objection letters from employers are important documents in the visa application process. There is a great deal of details on the web regarding the visa procedure, and some. The letter can also serve as supporting evidence for immigration purposes, such as when you're applying for a green card or other visa. Here is a sample example of letter from employer for visa purpose to help you create a customized draft on your company's behalf. You can ask this from your employer or schoo...
Powerpoint Wedding Invitation Design / PPT - Elegant Wedding Invitation Card Designs PowerPoint ... : Save hours of manual work and use awesome slide designs in your next presentation. . Free + easy to edit + professional + lots backgrounds. For a professional and impressive presentation use the solutions for wedding invitation free presentation templates (powerpoint there are many weddings throughout the year. The secret is in the beautiful bouquet of flowers which is arrange wedding invitations in wedding presentation style. Pick out one of our templates and personalize for every occasion. Lovepik > wedding invitation images > wedding invitation templates 9600+ results. These free powerpoint templates include: Personalize online to match your wedding colors and style. Aim for a pretty presentation using our free google slides themes and powerpoint templates with designs focused on weddings. Create your own wedding invitation cards in minutes with our invitati...
Locker Codes / Download the Locker Codes App | 2K Locker Codes / Below you can see a list of the currently active nba 2k20 locker codes ordered by release date. . Anyway locker codes are always a nice surprise in the nba. Последние твиты от nba 2k19 locker codes 2019 (@2k19lockercodes). Find all nba 2k locker codes here for free players, packs, tokens, mt, and vc! The way to using the nba 2k21 locker codes is very simple. Nba 2kw is tracking all nba 2k21 locker codes during the life cycle of nba 2k21 for both keep track of them all here with our nba 2k21 locker codes tracker for myteam, which we will keep. These are all of the september 2020 codes. Locker codes are a great way to get some free bonuses, free players, and packs for myteam or mycareer. Note that you cannot use a locker code. For basketball fans and gaming enthusiasts, nba 2k is definitely a great pick. Some locker codes have an expiry date, while others can be redeemed as long as the game's to use n...
Komentar
Posting Komentar