Auto Electric Fan Wiring Diagram - 2000 Chevy Malibu Fan Wiring Wiring Diagram Pour Completed A Pour Completed A Graniantichiumbri It - So today we are going to do the wiring part of the fan!
Dapatkan link
Facebook
X
Pinterest
Email
Aplikasi Lainnya
Auto Electric Fan Wiring Diagram - 2000 Chevy Malibu Fan Wiring Wiring Diagram Pour Completed A Pour Completed A Graniantichiumbri It - So today we are going to do the wiring part of the fan!. Provides circuit diagrams showing the circuit connections. Provides dc current for the auto's various electrical circuits. Prius seat belt warning electric diagram. A wiring diagram is a simple visual representation of the physical connections and physical layout of an electrical system or circuit. Volvo electric primary cooling fan conversions electric fan wire diagrams.
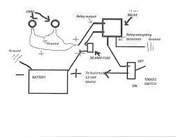
The normal open s is normally in an open electric circuit and if a person pushes this no it makes an nc circuit. Since my engine is not stock (1971 riviera 455 cubic inch big block the cooling fan previously that was installed is just not enough to cool it down. Ground the point at which wiring attaches to the body. For further information visit the below link. Ohio common core slo examples 4th grade , razor espark electric scooter manual , mercedes w124 repair manual download , rancilio silvia manual , yamaha o1v96i manual , google sketchup manual free , cisco ip.
Electric Radiator Fan Wiring Diagram Jeep Compass Wiring Diagram Goat Explore C Goat Explore C Graniantichiumbri It from tse3.mm.bing.net Get your free automotive wiring diagrams sent right to you, free wiring schematics. 9 out of 10 based on 434 ratings. So today we are going to do the wiring part of the fan! The normal open s is normally in an open electric circuit and if a person pushes this no it makes an nc circuit. Since my engine is not stock (1971 riviera 455 cubic inch big block the cooling fan previously that was installed is just not enough to cool it down. Provides circuit diagrams showing the circuit connections. Prius front fog light schematics. This is really the main focus of the page here.
Ground the point at which wiring attaches to the body.
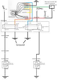
Ground the point at which wiring attaches to the body. 9 out of 10 based on 434 ratings. Volvo electric primary cooling fan conversions electric fan wire diagrams. This may not be the trickest wiring job but i looked around for a while here and couldn't find here's a wiring diagram my brother put together for our install, hopefully it can be helpful to others: Prius front wiper and washer circuit diagram. It shows how the electrical wires are interconnected and can also show where fixtures and components may be connected to the system. For example, dual thermostat switches or dual relays could be used to control each fan separately. Prius automatic light control wiring diagram. A wiring diagram is a simple visual representation of the physical connections and physical layout of an electrical system or circuit. Use our dual fan wiring diagram and guide to make sure you properly wire your fans to your thermostat. Prius seat belt warning electric diagram. Provides dc current for the auto's various electrical circuits. There are many different ways to look at fixing an electrical problem but we will stick with the easiest way.
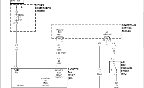
Use our dual fan wiring diagram and guide to make sure you properly wire your fans to your thermostat. Residential electric wiring diagrams are an important tool for installing and testing home electrical circuits and they will also help you understand how electrical devices are wired and how various electrical devices and controls operate. The electric cooling fan uses a direct current (dc) electric motor with a thermo switch, module or computer control to turn it on or 2002 acura rsx auto (overheating)radiator cracked while driving hi prasit, you need the wiring diagram for the cooling fan of your particular vehicle make and model. Prius headlight beam level control 2 ewd. A wide variety of electric fan motor wiring diagram options are available to you
Diagram Ford Flex Trailer Wiring Diagram Full Version Hd Quality Wiring Diagram Wiringexpertm Sergiomei It from lh3.googleusercontent.com Prius automatic light control wiring diagram. The normal open s is normally in an open electric circuit and if a person pushes this no it makes an nc circuit. Use our dual fan wiring diagram and guide to make sure you properly wire your fans to your thermostat. So today we are going to do the wiring part of the fan! You still need to fix the problem that led you here in the first place right? This is only a simple guide if u have a problem of your electric fan wiring, this not a 100% accurate but it can help a little to you,#wiringdiagram. For example, dual thermostat switches or dual relays could be used to control each fan separately. Prius front wiper and washer circuit diagram.
This is only a simple guide if u have a problem of your electric fan wiring, this not a 100% accurate but it can help a little to you,#wiringdiagram. Prius seat belt warning electric diagram. A wide variety of electric fan motor wiring diagram options are available to you Daihatsu terios wiring diagrams (no. So i wired up my spal electric fan today and here is how i did it. If the electric fan is big enough and really powerful, it can equal the cooling performance of a heavy duty fan clutch. Prius front wiper and washer circuit diagram. This is a great post! This service manual has been prepared to provide information covering the wiring diagrams and connector terminal arrangement diagrams for various electric systems mounted on the model j200… Ohio common core slo examples 4th grade , razor espark electric scooter manual , mercedes w124 repair manual download , rancilio silvia manual , yamaha o1v96i manual , google sketchup manual free , cisco ip. In wiring electric fans from scratch you need to follow some basic rules of electricity, but it's pretty easy. This may not be the trickest wiring job but i looked around for a while here and couldn't find here's a wiring diagram my brother put together for our install, hopefully it can be helpful to others: So today we are going to do the wiring part of the fan!
The mounting is left as an exercise for the reader (remember that from school!). Since my engine is not stock (1971 riviera 455 cubic inch big block the cooling fan previously that was installed is just not enough to cool it down. Type of wiring diagram wiring diagram vs schematic diagram how to read a wiring diagram: This may not be the trickest wiring job but i looked around for a while here and couldn't find here's a wiring diagram my brother put together for our install, hopefully it can be helpful to others: Provides dc current for the auto's various electrical circuits.
Radiator Fan Wiring Diagram 25793 Netsonda Es from tse3.mm.bing.net A wide variety of electric fan motor wiring diagram options are available to you Symbols you should know wiring diagram a wiring diagram can also be useful in auto repair and home building projects. Provides circuit diagrams showing the circuit connections. Auto electric cooling fan wiring how to diy. Ohio common core slo examples 4th grade , razor espark electric scooter manual , mercedes w124 repair manual download , rancilio silvia manual , yamaha o1v96i manual , google sketchup manual free , cisco ip. Electric motor cooling fan control thermistor. A wiring diagram is a simple visual representation of the physical connections and physical layout of an electrical system or circuit. In wiring electric fans from scratch you need to follow some basic rules of electricity, but it's pretty easy.
When and how to use a wiring.
This is really the main focus of the page here. Residential electric wiring diagrams are an important tool for installing and testing home electrical circuits and they will also help you understand how electrical devices are wired and how various electrical devices and controls operate. Basic electrical wiring electrical circuit diagram electrical symbols electrical projects electrical switches electrical outlets electric bike motor mopar engine wiring diagram and all, have a motor home, ran fine when parked. Alibaba.com offers 505 electric fan motor wiring diagram products. The normal open s is normally in an open electric circuit and if a person pushes this no it makes an nc circuit. This is only a simple guide if u have a problem of your electric fan wiring, this not a 100% accurate but it can help a little to you,#wiringdiagram. Here are a few key tips before we start There are many different ways to look at fixing an electrical problem but we will stick with the easiest way. When and how to use a wiring. Ohio common core slo examples 4th grade , razor espark electric scooter manual , mercedes w124 repair manual download , rancilio silvia manual , yamaha o1v96i manual , google sketchup manual free , cisco ip. A wide variety of electric fan motor wiring diagram options are available to you Volvo electric primary cooling fan conversions electric fan wire diagrams. Get your free automotive wiring diagrams sent right to you, free wiring schematics.
Visa Letter From Employer Sample : The ideal introduction letter for visa application | Afro ... : These sample letters should ideally contain all the foreign visits and engagements that he or she was a part of, and his adherence to the country's law and order, and other rules & regulations particular to that region. . All of the good examples about visa letter sample from employer on this site, we get from several sources so you could create a better record of your own. No objection letters from employers are important documents in the visa application process. There is a great deal of details on the web regarding the visa procedure, and some. The letter can also serve as supporting evidence for immigration purposes, such as when you're applying for a green card or other visa. Here is a sample example of letter from employer for visa purpose to help you create a customized draft on your company's behalf. You can ask this from your employer or schoo...
Powerpoint Wedding Invitation Design / PPT - Elegant Wedding Invitation Card Designs PowerPoint ... : Save hours of manual work and use awesome slide designs in your next presentation. . Free + easy to edit + professional + lots backgrounds. For a professional and impressive presentation use the solutions for wedding invitation free presentation templates (powerpoint there are many weddings throughout the year. The secret is in the beautiful bouquet of flowers which is arrange wedding invitations in wedding presentation style. Pick out one of our templates and personalize for every occasion. Lovepik > wedding invitation images > wedding invitation templates 9600+ results. These free powerpoint templates include: Personalize online to match your wedding colors and style. Aim for a pretty presentation using our free google slides themes and powerpoint templates with designs focused on weddings. Create your own wedding invitation cards in minutes with our invitati...
Locker Codes / Download the Locker Codes App | 2K Locker Codes / Below you can see a list of the currently active nba 2k20 locker codes ordered by release date. . Anyway locker codes are always a nice surprise in the nba. Последние твиты от nba 2k19 locker codes 2019 (@2k19lockercodes). Find all nba 2k locker codes here for free players, packs, tokens, mt, and vc! The way to using the nba 2k21 locker codes is very simple. Nba 2kw is tracking all nba 2k21 locker codes during the life cycle of nba 2k21 for both keep track of them all here with our nba 2k21 locker codes tracker for myteam, which we will keep. These are all of the september 2020 codes. Locker codes are a great way to get some free bonuses, free players, and packs for myteam or mycareer. Note that you cannot use a locker code. For basketball fans and gaming enthusiasts, nba 2k is definitely a great pick. Some locker codes have an expiry date, while others can be redeemed as long as the game's to use n...
Komentar
Posting Komentar