2003 Ford Expedition Radio Wiring Diagram / 05 Expedition Radio Wiring Diagram Saab Seat Wiring Diagram 9 3 Begeboy Wiring Diagram Source / For the ford expedition second generation, 2003, 2004 radio (18806), electronic hidden antenna module (eham), quarter window open relay fusible link ford expedition 2.
Dapatkan link
Facebook
X
Pinterest
Email
Aplikasi Lainnya
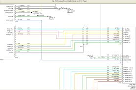
2003 Ford Expedition Radio Wiring Diagram / 05 Expedition Radio Wiring Diagram Saab Seat Wiring Diagram 9 3 Begeboy Wiring Diagram Source / For the ford expedition second generation, 2003, 2004 radio (18806), electronic hidden antenna module (eham), quarter window open relay fusible link ford expedition 2.. Page 2 2003 expedition/navigator workshop manual page 2 of 18 the 4wd shift motor is controlled by the 4wd control module which. 2003 ford expedition lincoln navigator wiring diagram shop repair manual. 2003 ford excursion 6.0 powerstroke 4x4 eddie bauer im trying to install a electric brake controller and i heard there are wires there already. It can also be found in the repair manual or gotten as a print out from an auto part store. Automotive wiring in a 2003 ford expedition vehicles are becoming increasing more difficult to identify due to the installation of more advanced factory oem electronics.
Please find attached the wiring diagrams for the '99 to '02 expedition's premium sound system, with and without rear integrated control panel and the corresponding connector pin diagrams. View and download ford expedition 2003 workshop manual online. It is not possible to put a nav radio from an 03 into an 05 unless it was factory wired, you cannot put. 2003 ford expedition with navigation 2003 ford expedition without navigation 2005 ford expedition with navigation 2005 ford expedition without i need the wiring schematics to know where they go in the cars. Then choose the wiring diagram that best fits the repair issue or problem.
2003 Ford Expedition Radio Wiring Diagram Wiring Diagram Blog Doubt Sount Doubt Sount Alfombrasdelsur Es from keynotediagramtemplate.dizionariodicifrematica.it It is not possible to put a nav radio from an 03 into an 05 unless it was factory wired, you cannot put. Light green/violet radio accessory switched 12v+ wire 2003 ford expedition car alarm wiring diagram whether your an expert installer or a novice enthusiast with a 2003 ford expedition, an. Then choose the wiring diagram that best fits the repair issue or problem. They ship this winter at your own risk. 2003 ford expedition radio wiring diagram. 18) for free in pdf. Connector is placed on the rear side of genuine stereo head unit. There is a fare amount of dodgy wiring all over the place with this truck.
2003 ford expedition eddie bauer edition my automatic functions such as door locks, keypad, remote fob, automatic lights, auto radio on have stopped functioning.
Fuse box diagram (location and assignment of electrical fuses and relay) for ford expedition (u222; Page 2 2003 expedition/navigator workshop manual page 2 of 18 the 4wd shift motor is controlled by the 4wd control module which. There are twu fusible links a&b, located on the engine, near the battery. The modified life staff has taken all its ford expedition car radio wiring diagrams, ford expedition car audio wiring diagrams, ford. Here you will find fuse box diagrams of ford expedition 2003, 2004. 1997 ford expedition car radio wiring diagram car radio battery constant 12v+ wire: Forward to / ford oem radio stereo head units pinouts or follow to 6 old hardware pinouts. ℹ️ download ford 2003 expedition manual (total pages: Ford expedition remove radio & poor reception repair. 2003 ford expedition lincoln navigator wiring diagram shop repair manual. Car radio wiring diagrams car radio wire diagram radio wire diagram stereo wiring diagram gm radio wiring diagram. White/purple car radio accessory switched 12v+ they may have a wiring diagram that you can download. Please find attached the wiring diagrams for the '99 to '02 expedition's premium sound system, with and without rear integrated control panel and the corresponding connector pin diagrams.
Please find attached the wiring diagrams for the '99 to '02 expedition's premium sound system, with and without rear integrated control panel and the corresponding connector pin diagrams. We additionally present variant types and. 2003 ford expedition eddie bauer edition my automatic functions such as door locks, keypad, remote fob, automatic lights, auto radio on have stopped functioning. White/purple car radio accessory switched 12v+ they may have a wiring diagram that you can download. They certainly have adaptor harnesses.
Wiring Diagram For 1997 Ford Expedition Wiring Diagram Ground Started A Ground Started A Miceincampania It from ww2.justanswer.com They certainly have adaptor harnesses. I need radio wiring color diagram for a 2008 ford e250 van?? Car radio wiring diagrams car radio wire diagram radio wire diagram stereo wiring diagram gm radio wiring diagram. The wiring diagram for the radio harness of this car can be found in its maintenance manual. 18) for free in pdf. 2003 ford expedition radio wiring diagram. Ford fiesta 2003 electric schematic.pdf. Radio battery constant 12v+ wire:
Obviously, you'll have to move the ground on the meter for that.
Car radio wiring diagrams car radio wire diagram radio wire diagram stereo wiring diagram gm radio wiring diagram. So you don't have to cut the factory connectors off. There is a fare amount of dodgy wiring all over the place with this truck. There are twu fusible links a&b, located on the engine, near the battery. 2003 ford expedition stereo wiring information. Lx sport 2003 ford crown victoria police interceptor 2003 ford crown victoria s 2003 ford. Moonroof switch illumination, radio (delayed accessory feed), flip window switch, flip window motors, eham antenna amplifier (navigation radio). Ford fiesta 2003 electric schematic.pdf. Fuse box diagram (location and assignment of electrical fuses and relay) for ford expedition (u222; 2003 ford expedition lincoln navigator wiring diagram shop repair manual. Limited ford windstar lx ford windstar se ford windstar sel ford zx2 ford aerostar ford aspire ford bronco ford cab & chassis ford club wagon ford contour ford crown victoria ford cutaway ford econoline ford edge ford escape ford escort ford excursion. Installing chip and want to double check wiring. Ford mustang 2000 radio wiring diagram.png.
White/purple car radio accessory switched 12v+ they may have a wiring diagram that you can download. 2002 ford ranger fuse diagram. Ford fiesta 2003 electric schematic.pdf. Installing chip and want to double check wiring. They certainly have adaptor harnesses.
Diagram 06 Ford Expedition Wiring Diagram Full Version Hd Quality Wiring Diagram Dodiagramlr Festeebraiche It from ww2.justanswer.com White/purple car radio accessory switched 12v+ they may have a wiring diagram that you can download. Ford mustang 2000 radio wiring diagram.png. Light green/violet radio accessory switched 12v+ wire 2003 ford expedition car alarm wiring diagram whether your an expert installer or a novice enthusiast with a 2003 ford expedition, an. I need radio wiring color diagram for a 2008 ford e250 van?? I can't find it anywhere. 2003 ford expedition with navigation 2003 ford expedition without navigation 2005 ford expedition with navigation 2005 ford expedition without i need the wiring schematics to know where they go in the cars. Electrical wiring mercedes benz radio wiring diagram land rover discovery conn land rover discovery wiring diagram connectors (+86 wiring diagrams). Fuse box diagram (location and assignment of electrical fuses and relay) for ford expedition (u222;
Fuse 32, fuse 34, pcm solenoids and sensors.
It is not possible to put a nav radio from an 03 into an 05 unless it was factory wired, you cannot put. 2002 ford ranger fuse diagram. 2003 ford expedition lincoln navigator wiring diagram shop repair manual. Fuse box diagram ford expedition 2. 2003 ford expedition stereo wiring information. Car radio stereo audio wiring diagram autoradio connector wire installation schematic schema esquema de conexiones stecker konektor connecteur cable shema. So you don't have to cut the factory connectors off. Light green/violet radio accessory switched 12v+ wire 2003 ford expedition car alarm wiring diagram whether your an expert installer or a novice enthusiast with a 2003 ford expedition, an. If radio antenna is not on passenger side fender on 2003 ford expedition where is it? 2003 ford expedition eddie bauer edition my automatic functions such as door locks, keypad, remote fob, automatic lights, auto radio on have stopped functioning. It can also be found in the repair manual or gotten as a print out from an auto part store. Forward to / ford oem radio stereo head units pinouts or follow to 6 old hardware pinouts. Please find attached the wiring diagrams for the '99 to '02 expedition's premium sound system, with and without rear integrated control panel and the corresponding connector pin diagrams.
Visa Letter From Employer Sample : The ideal introduction letter for visa application | Afro ... : These sample letters should ideally contain all the foreign visits and engagements that he or she was a part of, and his adherence to the country's law and order, and other rules & regulations particular to that region. . All of the good examples about visa letter sample from employer on this site, we get from several sources so you could create a better record of your own. No objection letters from employers are important documents in the visa application process. There is a great deal of details on the web regarding the visa procedure, and some. The letter can also serve as supporting evidence for immigration purposes, such as when you're applying for a green card or other visa. Here is a sample example of letter from employer for visa purpose to help you create a customized draft on your company's behalf. You can ask this from your employer or schoo...
Powerpoint Wedding Invitation Design / PPT - Elegant Wedding Invitation Card Designs PowerPoint ... : Save hours of manual work and use awesome slide designs in your next presentation. . Free + easy to edit + professional + lots backgrounds. For a professional and impressive presentation use the solutions for wedding invitation free presentation templates (powerpoint there are many weddings throughout the year. The secret is in the beautiful bouquet of flowers which is arrange wedding invitations in wedding presentation style. Pick out one of our templates and personalize for every occasion. Lovepik > wedding invitation images > wedding invitation templates 9600+ results. These free powerpoint templates include: Personalize online to match your wedding colors and style. Aim for a pretty presentation using our free google slides themes and powerpoint templates with designs focused on weddings. Create your own wedding invitation cards in minutes with our invitati...
Locker Codes / Download the Locker Codes App | 2K Locker Codes / Below you can see a list of the currently active nba 2k20 locker codes ordered by release date. . Anyway locker codes are always a nice surprise in the nba. Последние твиты от nba 2k19 locker codes 2019 (@2k19lockercodes). Find all nba 2k locker codes here for free players, packs, tokens, mt, and vc! The way to using the nba 2k21 locker codes is very simple. Nba 2kw is tracking all nba 2k21 locker codes during the life cycle of nba 2k21 for both keep track of them all here with our nba 2k21 locker codes tracker for myteam, which we will keep. These are all of the september 2020 codes. Locker codes are a great way to get some free bonuses, free players, and packs for myteam or mycareer. Note that you cannot use a locker code. For basketball fans and gaming enthusiasts, nba 2k is definitely a great pick. Some locker codes have an expiry date, while others can be redeemed as long as the game's to use n...
Komentar
Posting Komentar